بيت / أخبار / أخبار الصناعة / محول التردد: التثبيت واستكشاف الأخطاء وإصلاحها والتطبيقات العملية
أخبار الصناعة

محول التردد: التثبيت واستكشاف الأخطاء وإصلاحها والتطبيقات العملية

أخبار الصناعة-

مجردة

باعتبارها جهازًا أساسيًا في أنظمة القيادة الصناعية وإدارة الطاقة الحديثة، يتم استخدام محولات التردد على نطاق واسع في تنظيم سرعة المحرك وتوفير الطاقة وتقليل الاستهلاك والتحكم في العمليات. ومع ذلك، غالبًا ما تحدث أخطاء مختلفة أثناء التثبيت والتشغيل والتشغيل اليومي والصيانة بسبب التشغيل غير السليم أو العوامل البيئية أو إعدادات المعلمات غير الصحيحة، مما يؤثر بشكل خطير على استمرارية الإنتاج وعمر خدمة المعدات. من منظور الممارسة الهندسية، تقوم هذه الورقة بفرز الإعداد قبل التثبيت بشكل منهجي، وإجراءات التثبيت القياسية، ونقاط التشغيل، وتحليل الأسباب واستكشاف الأخطاء الشائعة وإصلاحها أثناء التشغيل. بالإضافة إلى سيناريوهات التطبيقات الصناعية، فإنه يناقش حلول المشكلات النموذجية. تهدف هذه الورقة إلى تزويد فنيي الهندسة بمرجع فني واضح ومفصل لمساعدة المؤسسات على تحقيق تشغيل فعال ومستقر لنظام محول التردد.

الكلمات الرئيسية: محول التردد ; التثبيت والتشغيل؛ استكشاف الأخطاء وإصلاحها؛ الحماية من الحرارة الزائدة؛ التدخل التوافقي. إعداد المعلمة؛ التحكم في توفير الطاقة

مقدمة

مع التحسين المستمر للأتمتة الصناعية، أصبحت محولات التردد مكونات أساسية لا غنى عنها في أنظمة تشغيل المحركات. من خلال ضبط جهد الخرج والتردد، فإنها تحقق تحكمًا دقيقًا في سرعة المحرك وتلعب دورًا رئيسيًا في المراوح، ومضخات المياه، والضواغط، والناقلات وغيرها من المعدات. وفقًا لإحصاءات الصناعة، يمكن أن يوفر التطبيق الرشيد لمحولات التردد ما بين 20% إلى 60% من الطاقة لأنظمة المحركات، مما يقلل بشكل كبير من تكاليف تشغيل المؤسسة.

ومع ذلك، يرتبط أداء محول التردد ارتباطًا وثيقًا بجودة التثبيت وتكوين المعلمات والصيانة اليومية. قد يؤدي التثبيت غير السليم إلى التداخل الكهرومغناطيسي والانطلاق المحموم؛ قد تتسبب المعلمات غير الصحيحة في توقف المحرك أو الحماية من التحميل الزائد؛ قد تؤدي الصيانة المهملة إلى الشيخوخة المبكرة أو حتى تلف المعدات. في مواجهة التحديات المذكورة أعلاه، يعد التثبيت المنهجي والموحد، ونظام التشغيل واستكشاف الأخطاء وإصلاحها أمرًا مهمًا بشكل خاص.

شركة تشجيانغ NENA الكهربائية المحدودة لقد انخرطت بعمق في مجال محول التردد لسنوات عديدة واكتسبت خبرة تطبيقية هندسية غنية. إلى جانب الخبرة العملية للفريق الفني للشركة، تلخص هذه الورقة بشكل منهجي النقاط الفنية لدورة الحياة الكاملة لمحولات التردد من ثلاثة أبعاد: مواصفات التثبيت، وتحليل الأخطاء الشائعة ومشاكل التطبيق العملي، للرجوع إليها من قبل فنيي الهندسة.

التحضير قبل التثبيت

2.1 اختيار النموذج والتحقق من المواصفات

قبل التثبيت، تأكد من أن المعلمات المقدرة لمحول التردد تتوافق مع خصائص المحرك والحمل. نقاط التحقق الرئيسية:

  • طاقة الخرج المقدرة (كيلوواط) ≥ الطاقة المقدرة للمحرك
  • الجهد المقدر متوافق مع طاقة الإدخال (ثلاثي الطور 380 فولت أو أحادي الطور 220 فولت)
  • التصنيف الحالي: 1.1-1.2 مرة تيار التحميل الكامل للمحرك
  • قدرة التحميل الزائد (150% × 60 ثانية أو 120% × 60 ثانية) تلبي متطلبات الحمل
  • وضع التحكم (V/F، التحكم في المتجهات، DTC) يتوافق مع متطلبات العملية

2.2 متطلبات بيئة التثبيت

تفرض محركات التردد المتغير متطلبات صارمة على بيئة التثبيت الخاصة بها؛ تعد البيئة غير المواتية أحد الأسباب الرئيسية لفشل المعدات. متطلبات بيئة التثبيت القياسية هي كما يلي:

المعلمة البيئية

المتطلبات القياسية

ملاحظات

درجة حرارة التشغيل

-10 درجة مئوية ~ 40 درجة مئوية

ديراتي فوق 40 درجة مئوية

الرطوبة النسبية

≥ 90% (عدم التكثيف)

منع تآكل التكثيف

الارتفاع

≥ 1000 م

ديرات إذا تجاوزت

الاهتزاز والصدمة

≥ 5.9 م/ث² (0.6 جم)

تجنب الآلات ذات الاهتزازات العالية

درجة الحماية

IP20 أو أعلى

IP54 للبيئة المتربة/الرطبة

مساحة تبديد الحرارة

≥150 مم أعلى / أسفل، ≥300 مم أمامي

التأكد من التهوية

2.3 الأدوات والمواد الاستهلاكية

  • مفكات معزولة (مشقوقة / فيليبس)
  • المتر الرقمي
  • جهاز اختبار المقاومة الأرضية
  • وجع عزم الدوران
  • الكابلات المحمية
  • أنابيب قابلة للانكماش بالحرارة، أطراف مضغوطة على البارد، علامات سلكية
  • الرسومات الكهربائية ودليل التشغيل

عملية التثبيت القياسية

3.1 التركيب الميكانيكي

  1. حدد فتحات التثبيت في خزانة التحكم وحافظ على المستوى.
  2. قم بالتثبيت باستخدام مسامير التوسيع أو قضبان الخزانة.
  3. التثبيت جنبًا إلى جنب: التباعد الأفقي ≥50 مم؛ التراص العمودي مع الحواجز.
  4. الموديلات عالية الطاقة (≥45 كيلو وات): مقاوم فرامل خارجي في منطقة جيدة التهوية.

3.2 الأسلاك الكهربائية

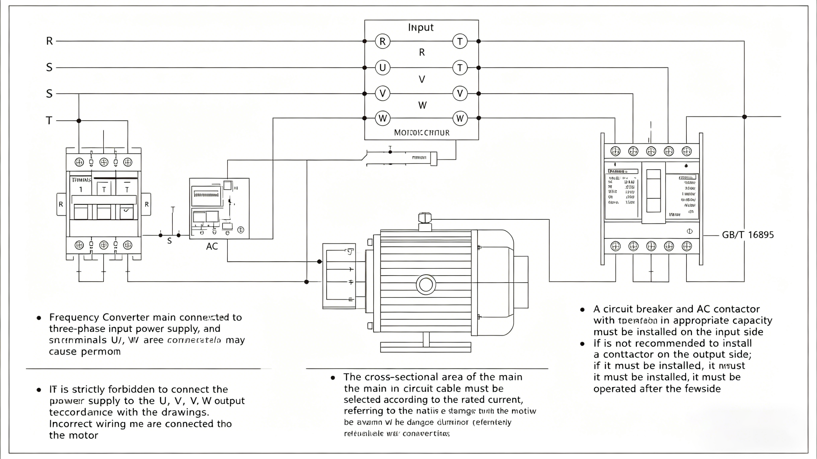
3.2.1 توصيلات الدائرة الرئيسية

  • R/S/T: طاقة الإدخال؛ U/V/W: خرج المحرك.
  • لا تقم بتوصيل الطاقة إلى U/V/W (سيؤدي ذلك إلى تلف العاكس).
  • تم تحديد المقطع العرضي للكابل حسب التيار المقدر (GB/T 16895).
  • جانب الإدخال: قاطع الدائرة والموصل.
  • جانب الإخراج: لا ينصح باستخدام الموصل؛ إذا تم استخدامه، قم بالتبديل فقط بعد توقف العاكس.

3.2.2 توصيلات دائرة التحكم

  • يتم توجيه كابلات التحكم وكابلات الطاقة بشكل منفصل، بمسافة ≥200 مم.
  • الإشارات التناظرية (0–10 فولت / 4–20 مللي أمبير): زوج ملتوي محمي، مؤرض من طرف واحد (الجانب العاكس).
  • كابلات الاتصالات (RS485/Modbus): زوج ملتوي محمي خاص مع مطابقة المعاوقة.
  • تشديد المحطات إلى عزم الدوران المحدد.

3.2.3 مواصفات التأريض

  • محطة PE متصلة بشبكة التأريض للنظام، المقاومة ≥10Ω.
  • السلك الأرضي ≥1/2 من سلك الطور الرئيسي، ≥4mm².
  • علبة العاكس، علبة المحرك، الأجزاء المعدنية للخزانة: تأريض مستقل وموثوق.
  • لا تشارك الأرض مع معدات اللحام أو المعدات عالية الطاقة.

تشغيل الطاقة

4.1 قائمة التحقق قبل التشغيل

قبل التشغيل لأول مرة، يجب التحقق من العناصر التالية واحدة تلو الأخرى لمنع حدوث ضرر عند تشغيل الطاقة:

البند التفتيش

المحتوى

الحالة

التحقق من الأسلاك

إدخال R/S/T، إخراج U/V/W صحيح

□ تم التأكيد

اختبار العزل

الدائرة الرئيسية إلى الأرض ≥5MΩ (500 فولت ميغا أوهميتر)

□ تم التأكيد

فحص التأريض

مؤرض PE بشكل موثوق، المقاومة ≥10Ω

□ تم التأكيد

تأكيد الجهد

يتطابق جهد الإدخال مع لوحة الاسم

□ تم التأكيد

معلمات المحرك

الطاقة المقدرة/الجهد/التيار/التردد المسجل

□ تم التأكيد

فحص تبديد الحرارة

تم تركيب المروحة، وفتحات التهوية دون عائق

□ تم التأكيد

فحص التثبيت

تم تشديد جميع المحطات على عزم الدوران

□ تم التأكيد

4.2 إعدادات المعلمة الأساسية

  • قوة المحرك المقدرة (P01)
  • الجهد المقنن للمحرك (P02)
  • المحرك المقدر الحالي (P03)
  • التردد المقنن للمحرك (P04، عادةً 50 هرتز)
  • سرعة المحرك المقدرة (P05)
  • وقت التسارع (P08): ≥10s للحمل الثقيل
  • وقت التباطؤ (P09)
  • الحد الأقصى لتردد الإخراج (P11): عادة 50 هرتز

4.3 الضبط التلقائي للمحرك

للتحكم في المتجهات، قم بإجراء الضبط التلقائي للحصول على مقاومة الجزء الثابت، وثابت وقت الجزء الدوار، وما إلى ذلك.

  • المحرك متصل أو مفصول عن الحمل
  • تم ضبط معلمات لوحة المحرك بشكل صحيح
  • ضمان السلامة أثناء التشغيل القصير

تحليل الأخطاء الشائعة واستكشاف الأخطاء وإصلاحها

5.1 الحماية من الحرارة الزائدة (OHT / OH)

الخطأ: رمز السخونة الزائدة، التوقف التلقائي، ارتفاع درجة حرارة الغلاف. الأسباب: ارتفاع درجة الحرارة المحيطة؛ فشل/انسداد المروحة؛ مساحة غير كافية الزائد. الغبار على المشتت الحراري. الحلول: تحسين التهوية؛ استبدال المروحة؛ بالوعة الحرارة النظيفة. فحص الحمل ضبط تباعد التثبيت.

5.2 الحمل الزائد/التيار الزائد (OL/OC)

الخطأ: التعثر المتكرر، خاصة عند بدء التشغيل. الأسباب: انحشار ميكانيكي؛ وقت تسارع قصير جدًا؛ تيار محرك خاطئ فشل الإرسال عاكس صغير الحجم. الحلول: إزالة الانحشار؛ تمديد وقت التسارع. المعلمات الصحيحة استبدال الأجزاء ترقية قدرة العاكس.

5.3 جهد الخرج غير المستقر (الأشعة فوق البنفسجية/الجهد المنخفض)

العطل: تقلبات السرعة، الارتعاش، الضوضاء، خطأ انخفاض الجهد. الأسباب: تقلب الجهد الكبير؛ الشيخوخة مكثف حافلة العاصمة. اتصال ضعيف توافقيات الشبكة. الحلول: تثبيت منظم/UPS؛ فحص المكثف تشديد المحطات. إضافة مفاعل التيار المتردد/مرشح EMC.

5.4 التداخل التوافقي

خطأ: الأجهزة/PLC غير طبيعية؛ عملية غير مستقرة تدخل الشبكة. الحلول: مدخلات مفاعل التيار المتردد؛ مرشح الإخراج dV/dt ؛ الكابلات المحمية؛ التدريع المعدني عاكس AFE للمواقع عالية التوافقية.

5.5 أخطاء الاتصال والتحكم

العطل: فقد اتصال PLC، خطأ Modbus/Profibus. الأسباب: عدم تطابق المعلمة؛ الأسلاك الخاطئة المقاوم 120Ω مفقود؛ التأريض السيئ عدم توافق البرامج الثابتة. الحلول: التحقق من المعلمات؛ فحص الأسلاك إضافة المقاومات الطرفية. تحسين التأريض تحديث البرامج الثابتة.

5.6 المحرك لا يعمل / سرعة غير طبيعية

أعراض الخطأ

لا يعرض VFD أي رموز خطأ، ومع ذلك يفشل المحرك في التشغيل؛ وبدلاً من ذلك، ينحرف تردد التشغيل بشكل كبير عن القيمة المحددة.

الأسباب الشائعة والتدابير المضادة

ظاهرة الخلل

السبب المحتمل

الحل

تم ضبط التردد ولكن المحرك لا يعمل

مصدر أمر البدء خاطئ

تحقق من اللوحة/المحطة/الاتصال

دوران المحرك العكسي

تم تبديل مرحلة U/V/W

مبادلة الأسلاك أو تغيير معلمة الاتجاه

سرعة منخفضة

إشارة تناظرية منخفضة

تحقق من إشارة الإدخال

توقف مفاجئ

الزائد / الحرارة الزائدة / انخفاض الجهد

تحقق من رمز الخطأ

رحلة أثناء التسارع

وقت التسارع قصير جدًا

تمديد وقت التسارع

عزم دوران منخفض عند السرعة المنخفضة

منحنى V/F غير مناسب

قم بزيادة تعويض عزم الدوران أو استخدم التحكم في المتجهات

مشاكل التطبيق النموذجية وحلولها

6.1 المروحة/المضخة: تحسين توفير الطاقة

  • تقلب الضغط: استخدم التحكم في الحلقة المغلقة PID
  • التجويف: الحد الأدنى للتردد ≥25 هرتز
  • استجابة بطيئة: ضبط معلمات PID
  • التبديل متعدد المضخات: التبديل الناعم مع وحدة تحكم خارجية

6.2 الرفع/الرفع: الكبح والسلامة

  • مطابقة وحدة الكبح والمقاوم
  • وظيفة الكبح DC لمنع الانزلاق
  • وظيفة منع المماطلة
  • تعشيق الفرامل الميكانيكية مع خرج العاكس

6.3 محرك الكابل لمسافات طويلة (> 50 مترًا)

  • تثبيت مفاعل التيار المتردد الناتج
  • قم بتثبيت مرشح DV/dt
  • التأريض المشترك للعاكس والمحرك

6.4 ارتفاع درجة الحرارة / بيئة الغبار

  • IP54 أو خزانة محكمة الغلق مع تهوية بالضغط الإيجابي
  • مكيف هواء خزانة / مبادل حراري
  • التنظيف ربع السنوي للمشتت الحراري وIGBT
  • عاكس مبرد بالماء للغبار الثقيل

6.5 محرك متوازي متعدد المحركات

  • العاكس الحالي ≥ مجموع التيارات الحركية × 1.1
  • مرحل حراري مستقل لكل محرك
  • طول الكابل مماثل لكل محرك
  • استخدم التحكم V/F (وليس التحكم في ناقلات الأمراض)

الصيانة الوقائية

الصيانة الوقائية هي الوسيلة الأكثر اقتصادا لإطالة عمر خدمة محولات التردد وتقليل معدل التوقف غير المخطط له. يوصى بوضع خطة الصيانة التالية:

دورة

البند

التفاصيل

يوميا

عملية المراقبة

تسجيل التيار ودرجة الحرارة والتردد

شهريا

المظهر والبيئة

فتحات نظيفة، والتحقق من درجة الحرارة/الرطوبة

ربع سنوية

التنظيف العميق

قم بتنظيف المشتت الحراري، وفحص المروحة

نصف سنوية

الفحص الكهربائي

تشديد المحطات، واختبار العزل

سنويا

إصلاح

فحص المكثفات واستبدال المروحة (كل 3 سنوات)

حسب الطلب

ترقية البرامج الثابتة

تحديث للإصلاحات والتحسينات

المكثفات الإلكتروليتية: عمر الخدمة 5-10 سنوات؛ يوصى بالاستبدال الوقائي.

الاستنتاج

يعتمد التشغيل الفعال والمستقر لمحول التردد على الإدارة الموحدة خلال عملية الاختيار والتركيب والتشغيل والصيانة. تلخص هذه الورقة بشكل منهجي مواصفات التثبيت، وإجراءات التشغيل، واستكشاف الأخطاء وإصلاحها لستة أخطاء شائعة: ارتفاع درجة الحرارة، والحمل الزائد، وعدم استقرار الجهد، والتداخل التوافقي، وفشل الاتصال، والشذوذ الحركي. يتم اقتراح الحلول الهندسية المستهدفة للمراوح/المضخات، والرفع، والقيادة لمسافات طويلة، والبيئات القاسية والتطبيقات المتوازية متعددة المحركات.

توفر شركة Zhejiang NENA Electric Co., Ltd. الدعم الفني الاحترافي وخدمة ما بعد البيع. يتمتع مهندسونا بخبرة غنية في التشغيل في الموقع ويمكنهم تقديم حلول مخصصة لمختلف التطبيقات الصناعية.

ومن خلال تكامل إنترنت الأشياء الصناعي والتصنيع الذكي، ستتطور محولات التردد نحو مستوى أعلى من الذكاء والشبكات: ستصبح المراقبة في الوقت الفعلي والصيانة التنبؤية والتشخيص السحابي عن بعد أمرًا قياسيًا. يعد إتقان مهارات التثبيت الحالية واستكشاف الأخطاء وإصلاحها أساسًا مهمًا لعصر القيادة الذكية.

المراجع

[1] شبكة مصنع السيارات. استكشاف مشكلات محول التردد الشائعة وإصلاحها. شركة تشجيانغ ليغونغ موتور المحدودة. أخبار الصناعة، 2025.

[2] محرك أنيهيرتز. استكشاف الأخطاء وإصلاحها في المشكلات الشائعة في تشغيل محول التردد. شركة أنهيرتز درايف (شنتشن) المحدودة، 2024.

[3] كانون الكتريك. نصائح عملية لحل مشاكل تشغيل محول التردد. رؤى صناعة كانرون، 2025.

[4] غو هرتز. استكشاف الأخطاء وإصلاحها الشائعة لمحول التردد. الموارد الفنية لشركة Go هرتز، 2024.

[5] أتو. الدعم الفني لمحول التردد. الوثائق الفنية لـ ATO، 2024.

[6] جيجابايت/تي 12668.5-2013. أنظمة القيادة الكهربائية السريعة الجزء الخامس: متطلبات السلامة.

[7] اللجنة الكهروتقنية الدولية 61800-5-1:2022. أنظمة تشغيل الطاقة الكهربائية ذات السرعة القابلة للتعديل - الجزء 5-1: متطلبات السلامة.